| Product name: | ACI959-QLS Special torque tester for impact wrench |
| Category: | ATTONIC |
| Product model: | ACI959-QLFG |
The characteristics of :
Impact spanner tester is the latest generation of comprehensive test instrument for impact spanner. The super performance platform captures the true pulse pattern of impact pulse, and the analysis of pulse pattern can accurately obtain the impact number and maximum torque. The performance of the impact tool is clear in the measured data of the instrument.
Considering the high frequency impact of the impact tool on the torque sensor, in order to protect the precision and performance of the torque sensor, it is necessary to pay attention to the use range.
Specification
Model Name | ACI959-QLS-100 | ACI959-QLS-300 | ACI959-QLS-600 | ACI959-QLS-1000 | |
Measurement Range | 10-100N.m | 30-300N.m | 60~600N.m | 100~1000N.m | |
Accuracy | ±0.5% | ||||
Display | 7 " TFT Color screen display ,(You can customize company content) | ||||
Torque According Model | PEAK | Maximum torque | |||
TRACK | The torque value is shown in real time with the torque change | ||||
Hit rate | Number | 0-9999 times/min | |||
Measuring Time | 2 Seconds | ||||
Display | Four-digit display | ||||
Power Supply | AC100V-220V | ||||
Weight | Display | About 600g | |||
Detection Machine | About 1kg | About 2.8kg | About 5.2kg | About 5.2kg | |
Model Name | ACI959-QLS-100 | ACI959-QLS-300 | ACI959-QLS-600 | |||
Measurement Range | 10-100N.m | 30-300N.m | 60~600N.m | |||
Accuracy | ±0.5% | |||||
Display | 7 " TFTColor screen display ,(You can customize company content) | |||||
Torque According Model 式 | PEAK | Maximum torque | ||||
TRACK | The torque value is shown in real time with the torque change | |||||
Hit rate | Number | 0-9999 times/min | ||||
Measuring Time | 2 Seconds | |||||
Display | Four-digit display | |||||
Power Supply | AC100V-220V | |||||
Weight | Display | About 600g | ||||
Detection Machine | About 1kg | About 2.8kg | About 5.2kg | |||
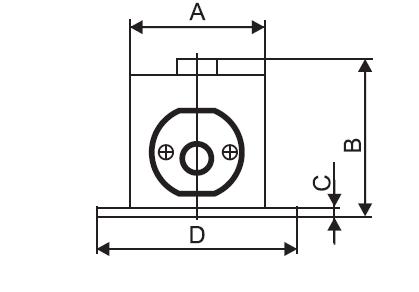
The sensor size chart | Model Name | A | B | C | D | E | F(Three equal) | G(Square opening ) |
100N.m | Φ60 | 73 | 10 | Φ110 | Φ90 | Φ8.3 | 12.7sq 1/2" | |
300N.m | Φ80 | 99 | 15.5 | Φ140 | Φ116 | Φ10.5 | 19sq 3/4" | |
600N.m | Φ94 | 126 | 26 | Φ158 | Φ130 | F(8 equal) | 25sq 1" | |
Φ12.5 | ||||||||
Sensor figure shape |
| | ||||||
